Продам Рельсы Р-18 ГОСТ 5876-82 железнодорожные узкой колеи, на нашем складе

12.04.2026
Цена: По запросу
Тип: Продам
Состояние: Б/у
Производитель:
Страна производитель: РФ
Марка мат-ла:

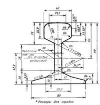
Рельсы Р-18, ГОСТ 6368-82, б/у, 1гр., предлагаем из наличия, на нашем складе.

Вертикальный износ поставляемых нами рельсов Р-18 – 2 мм, боковой износ отсутствует.

Присылайте вашу заявку: к. т. +7(905)145-42-45, MAX / WhatsApp / Telegram

Написать сообщение
id: 2843, просмотров: 35